オーディオアンプとスピーカー・電源の追加 (Page 2 / 2)

2.次は電源について検討しよう・・・

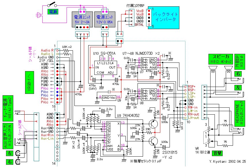
今回は色々増設機器がぶら下がっているので、5Vの電源は少し強化しておいた方が良いかも知れない。 液晶パネル、XRGB-1、 それにインターフェース回路だけなら 1Aあればおつりがくる筈だが、オーディオアンプとチューナーの分が追加されるため、 最低でも 10Wタイプ(2A)を用意したいところだ。 また、12Vはとりあえず液晶のバックライトだけの用途だが、常時 500mA程の電流が流れるため、余裕を持って使うためには 10Wタイプ (0.85A)が必要だ。
以上のことを踏まえ、12V・5V複合出力型の電源で適当なものがないか少し探してみたのだが、安価に販売されているものの中では 適当なものが見つからず、結局手持ちの 5V-3Aのものと 12V-0.85Aのものをダブルで使用することにした。


3.全体のまとめとケースへの組み込み・・・

最初のページでも書いたように、今回は「CRかましの金ちゃん」の液晶ユニットをケースごと再利用する。 絵柄処理のための 基板を取り外した後、シャーシー代わりに 1mm厚のアルミ板を取り付け、ここにスイッチング電源ユニットやインターフェース用の基板を装着する。

ケースに組み込んだものを裏側から見ると右側の写真のようになる。
液晶パネルへの信号ケーブルやバックライト用インバータなど、あらかじめ位置が固定されているものがある上、マウント用ネジ穴や 突起等の障害物があちこちにあり、スピーカーや電源ユニットなどの取り付けに支障をきたすものも何ヶ所か存在する。
シャーシー用アルミ板加工の詳細については省略させていただくが、突起を避けるために一部基板やシャーシーを切り取っている部分があるほか、 スピーカーなどを取り付けるためにケースの突起を削っている箇所もあるので、加工前に実際のケースで確認して欲しい。

あと、各ユニット間の配線が、結果的にオーディオアンプのブロックに集結してしまっている。 コネクタの着脱や配線の引き回しなど、 メンテナンス時にいちいちシャーシーを外すのも考え物ということで、コネクタはサブ基板を使って逆向けに取り付け、シャーシー裏面の穴に 顔を出させることとした。 XRGB-1をはじめ各部へは、シャーシー裏側に配線を沿わせ、バックライトインバータの横を通して逃がしている。

その他、ケースへの加工が必要なものを列挙すると・・・
 1. シャーシー用アルミ板をマウントするためのネジ穴(突起を削る必要あり)。
 2. 各部信号入力用コネクタの穴
 3. 音量調整用 VR、ヘッドフォンジャック、電源スイッチ、ACコード等取り付け穴。
 4. 基板上の半固定 VR調整用の穴。
 5. ケース上下、通風用の穴。

1については、ケースに元々ある突起が高すぎるため、そのままアルミ板を載せるとネジの頭が液晶にぶつかってしまう。  あらかじめケースの縁と同じくらいまで削っておこう。
2〜4については、現物を見ながら調節し、うまくまとめて欲しい。
5についてだが、今回は電源二台を内蔵した上 XRGB-1を裏面に貼り付けることになるので、通風面で少々不利になってしまう。  ケース上部および下部の空いたスペースに 4φ程度の穴を多めにあけ、極力通風を確保するようにしよう。



4.ちょっとだけ設計変更・・・

さて、とりあえず一通り組み上げて様子を見ていたのだが、少々困った現象が発生してしまった。
何と、音量を上げると画面が左右に揺れるのだ。 5V電源のレギュレーションが 思っていたほど良くなく、オーディオアンプの電流変動が電圧降下を誘発し、それがモロに PLLに回り込んでいるような雰囲気だ。
まずは XRGB-1をもう一度分解し、PLLにローカル DC-DCコンバータでも付けるべきかと考えていたのだが、事態は もっと深刻だった・・・ 実は、外付けの TVチューナーも電源変動には弱かったんですナ。 いゃ〜、TVに切り替えると画面が波打つ波打つ (^^;

結局 原因は元から絶たなきゃダメ・・・ ということで、オーディオアンプの電源は 5V電源から取るのをやめ、バックライト用の 12V電源からお裾分けしてもらうことにした。 せっかく 5V側は容量を大きめにしたのに 何の役にも立ってなかったりして (^^;
元々、今回のオーディオアンプは 5Vで使うことを前提にしていたので、そのまま 12Vにつなぎ換える訳には行かず、また 12V電源の容量にあまり余裕がないこともあり、 スイッチング三端子レギュレータ SG-051A に登場してもらうことにした。 この SG-051Aというモジュール、CR-BOX製のコイル内蔵 5V-1A出力のもので、本来は 入力電圧 20V以上となっているため、12V入力で使った場合フルパワーは出せないと思われる。 今回は出力先がオーディオアンプのみということで、 少々電圧降下が発生しても目をつぶることにする。
尚、同系統のものとして YDS-105などが有名どころとして挙げられる。 何れもコイル内蔵で見かけ上の端子数は多いが、余分な機能を使わなければ 通常の三端子レギュレータと同様に使用可能だ。

■ 資料はこちら
ケース裏面拡大イメージ  オーディオアンプ・電源回り回路図
2002/04/30 Yutaka Kyotani
トップメニューへ
VGA液晶+XRGB-1改 モニタメニューへ
前のページへ
TVチューナーの追加とノイズ対策へ