まずは回路の説明だ

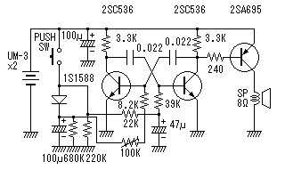
とりあえず回路図でも見ていただこう。 右にあるのが全回路図だ。
さらっと回路の説明でもすると(聞きたくない人もいるだろうが)、まず 図の中央付近にあるのがトランジスタ2石を使用した発振回路だ。 こい つで矩形波を発振する。 基本的な回路では抵抗4個とコンデンサ2個、 トランジスタ2石のシンプルな回路だが、今回はサイレンに似せようとい うことで発振周波数を停止状態から連続的に変化させなくてはならない。  しかも発振停止状態の時には電流を消費しないようにするため、バイア ス回路等にはいろいろな工夫を施してある。
そして右端にあるのがスピーカと、それをドライブする出力バッファだ。  先ほどの発振回路の出力を電流増幅し、スピーカを駆動するのに十分な 電流にする。 発振回路に使用しているのがNPN型のトランジスタなの で、こいつがON状態の時に駆動電流が流れるよう、出力回路にはPNP 型のトランジスタを使用する。 電源スイッチを省略したいときには、発 振停止状態で電流が流れないように回路を工夫することが必要だ。




トップメニューへ

材料の準備へ

製作開始だ。 ハンダゴテの準備はいいかな!